| Estado de Disponibilidad: | |
|---|---|
| Cantidad: | |
HP281 (20 mm)- 1.8 ° por paso, 2 fase
I.CH
Nema 11 Stepping Motor
El motor de engranajes paso a paso NEMA 11 cuenta con una caja de cambios planetaria de precisión que ofrece un alto par, bajo ruido y una precisión de paso de 1,8° para un control de movimiento confiable. Es una solución compacta ideal para impresión 3D, dispositivos médicos, robótica y equipos de CCTV.
| Especificación eléctrica del motor | |||||||||
| Modelo | Ángulo de paso (o) | L (mm) | Corriente nominal (a) | Resistencia de fase ( Ω ) | Inductancia de fase (MH) | Par de retención (N.CM) | Torque de retención (N.CM) | Cable de plomo (no.) | Peso del motor (G) |
| HP281-00506 | 1.8 | 28 | 0.6 | 4.2 | 2.2 | 4.5 | 0.3 | 4 | 105 |
| HP281-00606 | 1.8 | 33 | 0.6 | 5.5 | 3.2 | 6.0 | 0.4 | 4 | 110 |
| HP281-00806 | 1.8 | 41 | 0.6 | 7.0 | 6.0 | 8.0 | 0.5 | 4 | 140 |
| Otra especificación eléctrica del motor consulte la red de motor paso a paso híbrido | |||||||||
| Especificación de la caja de cambios | ||||||||||||
| Relación | 3.71 | 5.18 | 14 | 19 | 27 | 51 | 71 | 100 | 139 | 189 | 264 | 369 |
| Serie de reductores | 1 | 2 | 3 | 4 | ||||||||
| Longitud ( mm) | 31.0 | 40.1 | 49.0 | 57.9 | ||||||||
| Torque permitido (kg.cm) | 12 | 20 | 32 | 40 | ||||||||
| Torque instantáneo (kg.cm) | 36 | 60 | 96 | 120 | ||||||||
| Eficiencia (%) | 90% | 81% | 73% | 66% | ||||||||
| Peso (g) | 60 | 85 | 95 | 110 | ||||||||
| Podemos fabricar productos de acuerdo con los requisitos del cliente | ||||||||||||
El motor de engranajes paso a paso NEMA 11 cuenta con una caja de cambios planetaria de precisión que ofrece un alto par, bajo ruido y una precisión de paso de 1,8° para un control de movimiento confiable. Es una solución compacta ideal para impresión 3D, dispositivos médicos, robótica y equipos de CCTV.
| Especificación eléctrica del motor | |||||||||
| Modelo | Ángulo de paso (o) | L (mm) | Corriente nominal (a) | Resistencia de fase ( Ω ) | Inductancia de fase (MH) | Par de retención (N.CM) | Torque de retención (N.CM) | Cable de plomo (no.) | Peso del motor (G) |
| HP281-00506 | 1.8 | 28 | 0.6 | 4.2 | 2.2 | 4.5 | 0.3 | 4 | 105 |
| HP281-00606 | 1.8 | 33 | 0.6 | 5.5 | 3.2 | 6.0 | 0.4 | 4 | 110 |
| HP281-00806 | 1.8 | 41 | 0.6 | 7.0 | 6.0 | 8.0 | 0.5 | 4 | 140 |
| Otra especificación eléctrica del motor consulte la red de motor paso a paso híbrido | |||||||||
| Especificación de la caja de cambios | ||||||||||||
| Relación | 3.71 | 5.18 | 14 | 19 | 27 | 51 | 71 | 100 | 139 | 189 | 264 | 369 |
| Serie de reductores | 1 | 2 | 3 | 4 | ||||||||
| Longitud ( mm) | 31.0 | 40.1 | 49.0 | 57.9 | ||||||||
| Torque permitido (kg.cm) | 12 | 20 | 32 | 40 | ||||||||
| Torque instantáneo (kg.cm) | 36 | 60 | 96 | 120 | ||||||||
| Eficiencia (%) | 90% | 81% | 73% | 66% | ||||||||
| Peso (g) | 60 | 85 | 95 | 110 | ||||||||
| Podemos fabricar productos de acuerdo con los requisitos del cliente | ||||||||||||
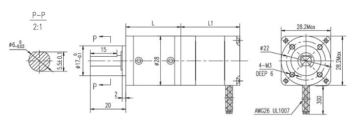
| Dimensiones mecánicas |
![]() |
| Dimensiones mecánicas |
![]() |
Eje personalizado
redondo, cortado D, perforado cruzado, llave, hilo o motor
paso a paso hueco con codificador
El codificador está personalizado para el cliente
Motor engranado paso a paso
la caja de engranajes planetaria Motor del motor paso a paso
Spur de engranajes Motor paso a paso
Conector
Molex, Harwin, Tyco/AMP, JST E TC.
Manguera protectora de longitud especial
Eje personalizado
redondo, cortado D, perforado cruzado, llave, hilo o motor
paso a paso hueco con codificador
El codificador está personalizado para el cliente
Motor engranado paso a paso
la caja de engranajes planetaria Motor del motor paso a paso
Spur de engranajes Motor paso a paso
Conector
Molex, Harwin, Tyco/AMP, JST E TC.
Manguera protectora de longitud especial