Bienvenido a I.CH Motion Co., Ltd
  Correo electrónico:  sales@ichmo.com       Tel: +86-25-51180871

Centro de productos

Usted está aquí: Hogar » Productos » Otros productos » Motor de engranaje paso a paso para instrumentos médicos de baja velocidad

LISTA DE PRODUCTOS

loading

Compartir con:
facebook sharing button
twitter sharing button
line sharing button
wechat sharing button
linkedin sharing button
pinterest sharing button
whatsapp sharing button
kakao sharing button
snapchat sharing button
telegram sharing button
sharethis sharing button

Motor de engranaje paso a paso para instrumentos médicos de baja velocidad

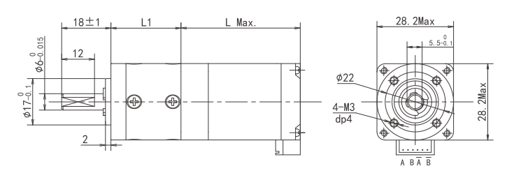
• Número de pieza del fabricante: HP281 • Tipo de motor: Caja de cambios planetaria Motor paso a paso Bipolar 4 cables 2 fases • Tamaño del marco: Montaje Nema 11 del motor paso a paso con engranajes de 28x28 mm • Ángulo de paso: 1,8 grados • Eficiencia de la caja de cambios: 73%---90% • Aplicación: Motor de ventilador
Estado de Disponibilidad:
Cantidad:
  • HP281

  • I.CH

  • NEMA 11 Stepper Gear Motor

Descripción

Motor paso a paso con caja de cambios planetaria.  tiene las características de alta precisión, alta rigidez, alta carga, alta eficiencia, alta relación de velocidad, larga vida, baja inercia, baja vibración, bajo ruido, bajo aumento de temperatura, hermosa apariencia, estructura liviana, fácil instalación, etc.



Especificaciones eléctricas del motor

Modelo de serie

Ángulo de paso ( o )

Largo(mm)

Corriente nominal (A)

Resistencia de fase (Ω)

Inductancia de fase (mH)

Par de sujeción (N.cm)

Cable conductor (NO.)

Peso del motor (g)

HP281-00506

1.8

31

0.6

4.2

2.2

4.5

4

105

HP281-00606

1.8

36

0.6

5.5

3.2

6

4

110

HP281-00806

1.8

44

0.6

7

6

8

4

140

HP281-01206

1.8

53

0.6

9

7.2

12

4

180

 

Especificación de la caja de cambios

Relación

3.71

5.18

6.75

14

19

27

35

46

51

71

100

139

181

236

307

Serie reductora

1

2

3

Longitud (mm)

25.6

34

42

Par nominal (Nm)

0.3

1.2

2.5

Permisible  Par (máx.) (Nm)

1.0

3.5

7.5

Eficiencia(%)

90%

81%

73%

Peso (gramos)

48

55

64

Podemos fabricar productos según los requisitos del cliente.





Motor de engranaje de instrumento médico paso a paso

Anterior: 
Siguiente: 
SUSCRÍBASE AHORA
Contamos con un equipo independiente de diseño de productos e I+D, un equipo de servicio y un equipo profesional de control de calidad.Bienvenido a suscribirse.
Nos especializamos en la investigación, el desarrollo y el servicio de los motores eléctricos, la caja de cambios y los engranajes de alta precisión con módulo pequeño.

LISTA DE PRODUCTOS

ENLACE RÁPIDO

CONTACTO

Agregue: 3B-B302 Liado U Valley Guli Technology Industry Parte, #16 Xinggu Road, Distrito Jiangning, Nanjing, P.R. China

Tel:  +86 25 5118 0871
Fax: +86 25 5118 0872
Skype:  iChmotion
Correo electrónico:   sales@ichmo.com
Derechos de autor 2022I.ch todos los derechos reservados. Apoyado por Leadong Mapa del sitio